|
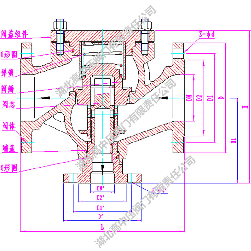
产品名称:自动再循环泵保护阀 |
|
| 型号:EFLzLY |

退换货基本条件(实物)
退换货申请应在确认签收商品之日起7天内提出(已物流签收时间为准),或交易完成之日起15天内发现商品存在质量问题提出。
退换货商品必须未经使用、未破坏原包装且不影响本站二次销售,存在质量问题的商品除外。
定制类商品由您与当地门店签订购买协议并付清全额货款,工厂开始下单生产后不予退换货。
未经本站授权的维修、改动、安装造成的商品问题不予退换货。
商品退换时,商品的外包装、附件、配件、赠品、说明书不完整,发票缺失或涂改,不予退换货。
您需同时将商品、发票、赠品回寄本站指定地址,邮费需由买家自行承担。
对于本站出售的定制类商品,由于无法使用快递运输,需通过物流发送到您所在当地店,并由当地门店安排专业安装人员上门安装。市内物流配送安装收费情况市外的其他区域,因距离远近不一样,以店面回复的收费标准为主。
请在配送人员在场的情况下,当面验收您的商品
快递员送货上门时,请您务必当面对照发货单核对商品,如果出现商品缺少、配送错误、包装破损问题等,请直接联系客服中心,待客服确认后,可将整单商品由快递公司退回。
如您手下货物后,发现质量问题,可以联系本站客服中心为您办理退货业务。
确定订单时选择开具发票但签收时发票未随商品一起送到,请与本站客服中心联系为您补开发票。
签收后本站会视为您已经认可并接受本公司商品。非订货人本人签收的产品,我们会视您等同于订购人进行验货。一旦您确认签字,我们将无法为您办理退款或补发。
为保障消费者利益,凡在本站订购指定套餐产品成功的用户,可以享受以下承诺
自交货之日起6年内,如橱柜、衣柜、书柜、电视柜等柜类产品在正常使用情况下产生质量问题,消费者将享受免费保修6年的服务承诺。
消费者将享受终身有偿维护的服务承诺。